手机版
|
设为首页
|
加入收藏
|
网上交流
沈阳燃烧器维修,沈阳锅炉,沈阳百得燃烧器,沈阳利雅路燃烧器,沈阳热水锅炉,沈阳蒸汽锅炉,RIELLO意大利,BALTUR百得,ACV电锅炉,沈阳百得威远科技有限公司,沈阳燃烧器销售中心,沈阳燃烧器维修中心,沈阳燃烧器售后服务中心,锅炉售后服务员,燃气燃烧器售后维修,燃烧器维修。
网站首页
企业概况
公司简介
领导致辞
我们的团队
服务理念
发展愿景
品牌合作
产品中心
利雅路燃烧机RIELLO
百得燃烧机Baltur
油泵系列
风门执行器/伺服马达
ACV电锅炉
锅炉系列产品
燃烧程序控制器/控制器
工程案例
服务支持
服务说明
文件下载
安全保障
产品应用
产品知识
应用领域
新闻资讯
媒体热点
业务公告
最新资讯
联系我们
联系方式
百度地图
当前位置:
首页
>
利雅路燃烧机RIELLO
>
燃气燃烧器
>
正文
BS1|BS1D燃气燃烧器
发布日期:2016/6/18 18:05:10 浏览人数:1905
产品说明:
BS1|BS1D燃气燃烧器
品牌:RIELLO(利雅路)
产地:意大利
系列
型号
发热量(KW)
控制方式
燃气
电源
电机功率(W)
最小
最大
GULLIVER
BS1
16
52
一段火
液化气/天然气
1ph * 220V * 50Hz
150
GULLIVER
BS1D
16
19-52
二段火
液化气/天然气
1ph * 220V * 50Hz
150
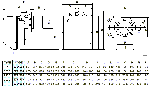
工作范围
尺寸
上一篇:
GS20燃气燃烧器
下一篇:
BS2|BS2D燃气燃烧器
网站首页
|
企业概况
|
产品中心
| 工程案例
| 服务支持
| 产品应用
| 新闻资讯
|
网上交流
|
联系我们
CopyRight 2015 dbrsq.com All Right Reserved 沈阳百得威远科技有限公司 版权所有
地址:维修地址沈阳市大东区珠林路92号 电话:13998168373 邮箱:13998168373@163.COM
网站统计代码
辽ICP备15018155号-1
沈阳网站制作
--
沈阳网站托管
--
沈阳网站制作公司
--